怎么加杠杆买股票新手必知-十二种k线买入信号-【东方资本】,配资软件下载,炒股配资网站拾必选配资,配资需要什么条件呢

  • 賬號登錄
社交賬號登錄
電話:13065004869
掃碼咨詢客服
咨詢
首頁 > 軟件平臺 > 數字水利

深井回灌

深層地下水回補建設運用物聯網、大數據等技術,遵循“統籌規劃、統一標準、經濟適用、安全穩定”原則,構建“標準化、流程化、信息化、智慧化”的運行管理平臺,旨在保障回補安全、提升效率、優化公眾服務。

瀏覽量

在線咨詢

深井回灌

一、項目建設目標:

某市深層地下水回補建設依托華北地區治理方案,運用物聯網、大數據等技術,遵循“統籌規劃、統一標準、經濟適用、安全穩定”原則,構建“標準化、流程化、信息化、智慧化”的運行管理平臺,旨在保障回補安全、提升效率、優化公眾服務。

二、解決方案:

image.png

深層地下水回補軟件平臺項目整體架構分為基礎支撐層、業務應用層和用戶層。

基礎支撐層:包含IOT平臺、數據底板、模型庫、知識庫、大語言模型。

IOT平臺:通過物聯網設備實時采集地下水位、排水及回灌監測數據,并輔以視頻監控實現現狀圖像實時監控。

數據底板:整合地理空間數據、數據存儲與管理,以GIS地圖數據及監測數據為基礎進行支撐。

知識庫:包含預案庫、業務規則庫、歷史場景庫,為管理人員提供決策支持。

大語言模型:采用自然語言處理技術,具備問題識別解析、數據查詢回答及語句生成理解等功能。

業務應用層:

采用云原生架構,基于容器技術構建,支持資源彈性伸縮及多云部署。

融合云原生、人工智能、大數據、物聯網等前沿技術,遵循開放創新原則。

提供綜合態勢、GIS輿圖、數據分析、回補站監測、運行管護、視頻監控、后臺管理及移動應用等功能。

平臺特色包括全新一代計算架構、零代碼/低代碼開發、數智驅動及開放集成能力,致力于實現深層地下水回補的數字化管理。

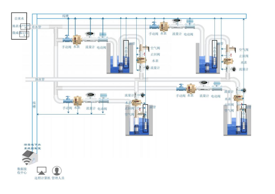
三、應用場景:
image.png

                    水源工程

image.png

                  地表水系統


image.png


                 淺層井系統圖

image.png

                  海洋局改造水系統

image.png

四、項目案例:

image.png

image.png

image.png